Автор: rust3d , 15 апреля 2020
Доброго всем! Имею желание починить свой БП. Плата NO-636 rev. 06. Первичная причина поломки: при замене "большого" электролита на аналогичный, был впаян аналог чуть большего размера по высоте и закрыт под небольшой натяжкой. Со временем он видимо под давлением и температурой продавил нижнюю полиэтиленовую подкладку и закоротил на корпус (с обратной стороны платы). При диагностике выявил сгоревший транзистор apfc, диод er506. Поменял в паре на более мощные (стояли 20n60, поставил stw34nm60n) ну и до кучи поменял электролиты в горячей части, слегка просевшие по характеристикам. При включении появлялась дежурка, однако замыкание ps_on на землю давало вспышку и прожиг предохранителя. В итоге теперь ситуация такая: при включении кнопки питания блока получаю стабильный БАХ на резисторе R101 на 75 ом и отправку cm6800g в Вальгаллу. Все что можно было, прозвонил-проверил. По высокой части кз нет, по низкой тоже вроде норм, диоды целые, диодные сборки тоже, межвиткового не обнаружил... я новичок, учусь, подскажите куда копать. Схема блока практически идентична приложенной.
Содержимое данного поля является приватным и не предназначено для показа.

BBCode

  • HTML-теги не обрабатываются и показываются как обычный текст
  • You may use the following BBCode tags:
    • [align]
    • [b]
    • [code]
    • [color]
    • [font]
    • [hr]
    • [i]
    • [img]
    • [list]
    • [quote]
    • [s]
    • [size]
    • [spoiler]
    • [sub]
    • [sup]
    • [table]
    • [u]
    • [url]
  • Адреса веб-страниц и email-адреса преобразовываются в ссылки автоматически.

rust3d

5 лет 10 месяцев назад

Q703, выпаял со старой материнки, родной ранее улетел в неизвестность при выпаивании для проверки, он npn типа

maco

5 лет 10 месяцев назад

[OFF]D703, U702, R709, Q703 - напряжения на всех выводах.
Примитивный узел, но пинать автора для хоть какой-то диагностики приходится :).[/OFF]

rust3d

5 лет 10 месяцев назад

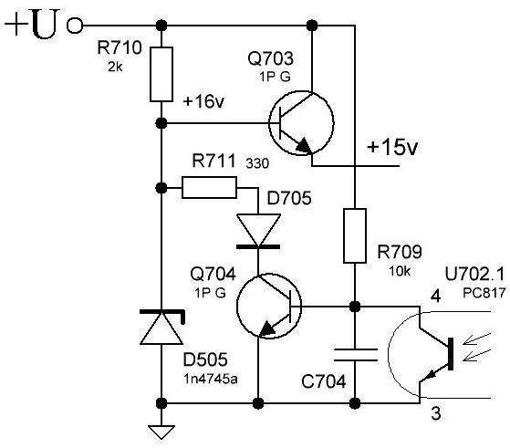
Там не совсем так, как на схеме, присутствуют дополнительные резисторы и транзистор, сейчас прозваниваю, накидаю схемку.

rust3d

5 лет 10 месяцев назад

https://i.ibb.co/4TCjQMr/image.jpg

Красным обозначено то, что в исходной схеме отсутствует.
Q704 определяется как пара резисторов. Я не знаю и не понимаю, какого типа он должен быть, npn или pnp...

maco

5 лет 10 месяцев назад

[OFF]IMHO так будет правильнее :):

Кусок схемы от близкого родственника, так что некоторые позиционные обозначения могут не совпадать.[/OFF]

rust3d

5 лет 10 месяцев назад

Да, эта схема правильная:-) моя с ошибками (резисторы R710 и R711 на базу Q703 приходят и диод не посмотрел, как сидит, перепутал). Только ZD505 не там сидит.
Спасибо! Буду искать с материнки-донора аналог.

rust3d

5 лет 10 месяцев назад

Вопрос. На ключах (Q701 и Q702) Затвор и Исток звонятся с сопротивлением 5.5 Ом в запаянном состоянии. Я вроде понимаю по схеме, что они через концы вторичных обмоток соединены, на всякий случай - так и должно быть?

maco

5 лет 10 месяцев назад

[OFF]Да.[/OFF]

rust3d

5 лет 10 месяцев назад

D703 - 0.7В
U702 - 1,2 выводы - скачет 0.11 до 0.16В и обратно, 3-4 выводы - 0 и 0.76В соответственно.
Q703 - база 2.87В, коллектор - 16В, эмиттер - 2,35В
R709 - 16В, R710 - 2.87В, R711 - 0.7В
Q704 - база 0.76В, коллектор - 0,7, эмиттер - 0.
Это PS_ON на землю.

rust3d

5 лет 10 месяцев назад

Если без ps_on, то самое большое напряжение на этих элементах 15В, остальные еще меньше.