
Здравствуйте, приобрел устройство – NAS, проблема в том что для включения устройства требуется нажатие кнопки на корпусе, и если пропадает электричество то необходимо каждый раз подходить и вручную его включать. Для этого предусмотрена кнопка, на фото справа между Usb и разъемом питания, подскажите пожалуйста, как сделать чтобы это устройство включалось автоматически при подаче питания? (чтобы не нажимать каждый раз на кнопку).


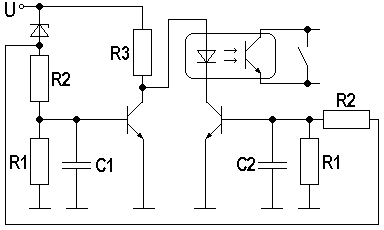
DC1 - точка, помеченная буквой U и земля.
S1 - кнопка, изображенная на схеме.
Микросхема - 555 (aka NE555, LM555, .....).
Стабилитрон - на 3,3 В. Пара резисторов в делителе - в верхнем плече 47 кОм, в нижнем - 100 кОм. Конденсатор - 10 мкФ. Транзистор - BC847. Резистор в коллекторе транзистора - 10 кОм. Оптопара - PC817. Резистор к ней - 200 Ом.
Конденсатор, присоединенный к выводу CONT - 0,1 мкФ. Резистор, присоединенный к DISCH/THRES - 100 кОм, а конденсатор - 10 мкФ.
P.S. Все
персонажи вымышленыноминалы/маркировки выбраны примерно - плюс-минус лапоть.[/off][off]Bishop
В таком варианте есть не совсем хороший нюанс - эквивалентная кнопка замкнута все время, пока питание не придет в норму. Реакция на подобное поведение кнопки не всегда получается ожидаемой - это уже в сторону аппаратной реализации контроллера или его ПО. Иногда встречались реализации, которые ожидают сначала получание ненажатого состояния, а только потом нажатого - т.е. реакция на спадающий фронт.
Да и допущений много - допущение о том, что один вывод кнопки соединен с землей - это уже серьезно :).[/off]
И по логике работы схемы: я так понимаю, что микросхема работает в режиме моностабильного мультивибратора. На Vcc и GND подается плюс и минус 5в, на TRIGGER при включении подается ток через резистор, вследствие чего на OUT подается ток 4.5 вольт. Далее открывается транзистор в оптопаре и выключатель S1 замыкается.
Про RESET прочитал что «для предотвращения случайных сбросов этот вывод настоятельно рекомендуется подключить к плюсу питания, пока в нем нет необходимости.» тут все понятно. Вывод CONTROL не используется, и подключается через конденсатор 0,1 мкФ «для уменьшения уровня помех и всяких других неприятностей.». Делитель состоящий из двух резисторов 47кОм и 100кОм используется для уменьшения напряжения. А для чего нужны стабилитрон и транзистор? И что происходит с выводами Discharge и Treshold они как то закрывают OUT?
Объясните пожалуйста вкратце.
Стабилитрон - для того, чтобы схема не реагировала на напряжение питания менее выбранного (в данном случае 3,3 В).
Транзистор - для того, чтобы изобразить инвертор. Т.е. когда напряжение придет в норму (и пройдет немного времени, которое задается сопротивлениями резисторов делителя и емкостью конденсатора между базой и GND), необходимо получить лог.0 на TRIGGER.
Discharge скоммутирован на GND при OUT=0 и не скоммутирован на GND при OUT=1. Treshold - вход компаратора, когда конденсатор зарядится до порогового значения, то внутренний триггер должен переключить OUT в лог.0.
Вы бы привели напряжения во всех ключевых точках схемы. Для удобства отслеживания процессов зарядки конденсаторов можно увеличить емкость конденсаторов от 10 мкФ до 100 мкФ.[/off]
Конденсатора на 100мкФ под рукой не оказалось, но нашелся 220мкФ 35 вольт. В участке между стабилитроном и резистором 47кОм напряжение 3.35 в. (неизменно) В делителе (на базе транзистора) 0.6 в. На trigger`е до заряда конденсатора 5 в., а после 0.04 в. На ногах Discharge Treshold до заряда конденсатора 0 в. которое плавно растет до 2.6 в. (а в случае замены конденсатора с 10 мкФ на 220 мкФ, напряжение растет до 4 в.) На OUT напряжение неизменно - 4.5 в.
Сначала стабилитрон дрлжен быть отключен от источника, потом вручную подключаете и отключаете (за время, меньшее времени заряда конденсатора, подключенного к Discharge/Treshold). И наблюдаете за поведением вывода OUT. Можно и Reset отключить от источника питания для классичности :).[/off]
Отключение RESET на ход эксперимента не влияет.
Кстати, небольшая странность - по моей исходной схеме на OUT тогда должен быть сначала лог.0 до того момента, пока не зарядился бы конденсатор в базе, а потом лог.1 до выключения питания.
Следующий концепт:
Стабилитрон и резисторы R1/R2 аналогичны деталям в исходной схеме - 3,3 В/100 кОм/47 кОм.
Резистор R3 - 200 Ом. Транзисторы одинаковые - BC847.
Конденсаторы должны отличаться друг от друга, причем C1>C2. Пусть C1=220 мкФ, C2=10 мкФ.[/off]
понять бы еще что это означает в практическом плане ).
Кстати, небольшая странность - по моей исходной схеме на OUT тогда должен быть сначала лог.0 до того момента, пока не зарядился бы конденсатор в базе, а потом лог.1 до выключения питания.
по идее (если лог.1 считать наличием напряжения, а лог.0 его отсутствием) то логика должна быть примерно следующая:
1. при подаче питания на устройство, на OUT должен быть лог.0 (s1 разомкнут)
2. далее на OUT кратковременно (0.5 - 1 сек.) возникает лог.1 (s1 замыкается)
3. после чего снова лог.0 на OUT (s1 размыкается) который сохраняется до выключения питания.
благодарю, завтра попробую.