Автор: dimon194 , 22 декабря 2007




Название блока: GEMBIRD 450w, 12sm Fan, PFC



Силовые транзисторы: D4515 (2шт) и один 2N60P;



Диодные сборки: SBL3040 (2шт) и F16C20(1 шт.)



ШИМ: KA7500



Супервизор: LP7510



Дежурка: собрана на полевике 2N60P



Канал 3.3v  - на магнитном усилителе



Горела микросхема ШИМ и силовые транзисторы, после замены - не стартует. +5Vsb в норме, напряжение питания ШИМ - 16.3В.
Содержимое данного поля является приватным и не предназначено для показа.

BBCode

  • HTML-теги не обрабатываются и показываются как обычный текст
  • You may use the following BBCode tags:
    • [align]
    • [b]
    • [code]
    • [color]
    • [font]
    • [hr]
    • [i]
    • [img]
    • [list]
    • [quote]
    • [s]
    • [size]
    • [spoiler]
    • [sub]
    • [sup]
    • [table]
    • [u]
    • [url]
  • Адреса веб-страниц и email-адреса преобразовываются в ссылки автоматически.

Erstmann (не проверено)

18 лет 3 месяца назад

dimon_сто_девяносто_четыре, и охота Вам так измываться над бедным уродцем Джимбюрдом?:)
За это время можно было починить уже штук 50, а то и 100 БП, и купить себе на заработанные целый комп, а не то что хороший БП.
Ну да ладно, это я язвлю. А по вопросу:

>на дежурке через минут 5 - 10 появляется импульс, который приводит в движение вентилятор.

Это ненормально.

dimon194

18 лет 3 месяца назад

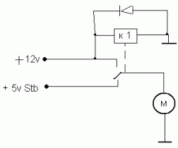
Я ничего не напутал. После полного отключения от сети, через 5 - 10 минут вентилятор один раз дёргается. Я вентилятор запитал через реле, чтобы он охлаждал дежурку, когда основной БП отключён (так советовали  здесь на сайте, правда говрили, что через диоды запитывали) Схему привожу ниже.



А занимаюсь я этим блоком чисто для души, делать сейчас нечего, сессию здал. И бывает приятно посидеть вечерком с паяльником "поколдовать". Профессионально ремонтом ИБП не занимаюсь, хотя начинаю подумывать над этим, полностью профессионально занимаюсь только AUDIO-техникой.

Себе уже заказал блок ASUS 450w , вот теперь жду пока привезут (праздники всё-таки).
/files/Rele_0.gif

NMD

18 лет 3 месяца назад

Вадим (не проверено)

15 лет 8 месяцев назад

Пожалуйста подскажите номинал резистора R38, PSU Gembird 450W, ATX, 12cm fan.

UAM

15 лет 8 месяцев назад

В какой части схемы он находится? Или хотя-бы фотографию места расположения сделайте. Иначе не найдешь.
Да и платы могут отличаться.