Автор: Unknown BIOS (не проверено) , 20 мая 2013
Плата на печально известном NForce 6100, с стандартными симптомами: включается и выключается с Power, не стартует, пост код в FF, спикер молчит, процессор и мосты сильно не греются. Были измерены напряжения, которые присутствуют в положеных местах. Решил посмотреть напряжение на процессоре с осциллографом, так как там всего два конденсатора по 3300 мкФ,питание чистое. А вот на мостах питание с гармоническими колебаниями, хотя с блока питания поступают стабильные напряжения.
Результаты измерений:
между слотами памяти и южным мостом Q53 (STD1703L) S 1,52V (с колебаниями 0,15 V), D 3,36V, G 4,3V (с гармоническими колебаниями 0,25 V);
между питателем процессора и северным мостом Q10 (STD1703L) S 1,24V (с колебаниями 0,25 V), D 3,36V, G 3,55V (с гармоническими колебаниями 1,2 V);
транзисторы стабилизаторов мостов управляются операционным усилителем LM324, питание усилителя 11,98 V стабильное без выбросов.
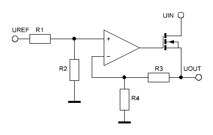
Подскажите схему включения микросхемы в подобных стабилизаторах.
Содержимое данного поля является приватным и не предназначено для показа.

BBCode

  • HTML-теги не обрабатываются и показываются как обычный текст
  • You may use the following BBCode tags:
    • [align]
    • [b]
    • [code]
    • [color]
    • [font]
    • [hr]
    • [i]
    • [img]
    • [list]
    • [quote]
    • [s]
    • [size]
    • [spoiler]
    • [sub]
    • [sup]
    • [table]
    • [u]
    • [url]
  • Адреса веб-страниц и email-адреса преобразовываются в ссылки автоматически.

maco

12 лет 9 месяцев назад

[OFF]
R1, R2, R3, R4 - по вкусу :).[/OFF]

Umeletz

12 лет 9 месяцев назад

Прозвонил схему питания, очень похожа на приведенный пример, а вот переменное напряжение наблюдается на "-" контакте операционного усилителя.

maco

12 лет 9 месяцев назад

[OFF]Кто-то явно мешает рассекретить данные о напряжении на неивертирующем(их) входе(ах) ОУ :D.
Двнные о частоте указанных колебаний являются исключительно секретных данных, судя по полному отсутствию упоминания о ней :lol:.[/OFF]

Umeletz

12 лет 9 месяцев назад

Плохой фотоаппарат, но думаю теперь понятней будет что не так с напряжениями.
Напряжжение на "+" входе операционника постоянное 1,24 В. Сняты осциллограммы на транзисторе Q10 возле северного моста. Первое фото на выводе S, второе на G. В обоих измерениях 0,2 В/дел и 10 мкс.

maco

12 лет 9 месяцев назад

[OFF]На частотах около 50 кГц коэффициент усиления LM324 составляет примерно 20 дБ, т.е. не так уж и много. Это может объяснять колебания выходного напряжения, зависящие от нагрузки.

Еще можно нафантазировать влияние постоянной времени затворной цепи, но для подробных фантазий нужно иметь фазовые картинки.

S 1,24V (с колебаниями 0,25 V)
Заявленных колебаний в 0,25 В не вижу. Колебания с размахом около 0,15 В - есть.
Если взять среднее напряжение 1,25 В и колебания относительно него 0,075 В, то точность поддержания напряжения составляет +/- 6%. Это относительно приемлемо.[/OFF]

Umeletz

12 лет 9 месяцев назад

Непонятно для чего формируется это напряжение, на северном мосту на керамических конденсаторах колебаний не наблюдается. Все опять сводится к неисправному мосту. :-(

maco

12 лет 9 месяцев назад

[OFF]
Непонятно для чего формируется это напряжение
VCC12_HT - для буферов HyperTransport.
В данном случае потребителями являются СМ и процессор.[/OFF]

Umeletz

12 лет 9 месяцев назад

Подскажите стоит дальше копаться с напряжениями или такая картинка с осциллограммами в норме?

maco

12 лет 9 месяцев назад

[OFF]
Это относительно приемлемо.
[/OFF]

Umeletz

12 лет 9 месяцев назад

Пробовал найти сигналы на флешке, но кроме постоянных напряжений и одного тактирующего больше ничего свидетельствующего хоть о каких то попытках старта не обнаружил. Значит ли это что неисправен Южный мост или MIO